OKdoが製造するSBC「ROCK 4SE」の製品仕様に関する日本語情報です。
目次
概要
ROCK 4SEは、Raspberry Pi 4Bと同じクレジットカードサイズのフォームファクタのSBC(シングルボードコンピュータ)です。Raspberry Pi 4Bと近いペリフェラルを重視したROCK 4C+に対して、ROCK 4SEはペリフェラルの拡張性と信頼性を重視した改良を加えたモデルです。
ROCK 4SEのメモリ容量は4GBが標準です。
特徴
ハードウェア
- SoC: Rockchip RK3399‑T
- Armのbig.LITTLEアーキテクチャを採用したヘキサコア(6コア)構成
- 2コア Cortex A72 @1.5GHz + 4コア Cortex A53 @1.0GHz
- 2コア Cortex M0
- GPU: Arm Mali T860 MP4、下記APIをサポート
– OpenGL ES 1.1 /2.0 /3.0 /3.1 /3.2
– Vulkan 1.0
– Open CL 1.1 1.2
– DirectX 11.1 - メモリ: Dual channel 4GB 64bit LPDDR4
- ストレージ: M.2(M key)、microSDカードスロット、eMMCコネクター
- ディスプレイ: フルサイズHDMI、MIPI DSI(ミラーモードおよび拡張モードに対応)
- H.265/VP9 (HEVC) ハードウェアデコード対応 (最大4K/60p)
- H.264 ハードウェアデコード対応(最大1080p60fps)
- 電源:USB Type‑C(USB Power DeliveryおよびQuick Chargeに対応)
インタフェース
- Gigabit Ethernet x1(PoE HATオプションあり)
- WiFi: 802.11 b/g/n/ac
- Bluetooth 5.0 (BLE)
- マイク入力対応オーディオジャック(直径3.5mm)
- M.2 M Key(PCIe2.1×4)
- microSDカードスロット
- フルサイズHDMI x1(4K60p対応)
- USB2.0 x2
- USB3.0 x2(1ポートはUSBホスト/OTG切替可能)
- MIPI CSI 2レーン(カメラ入力用)
- MIPI DSI 2レーン(映像出力用)
- GPIO 40ピン。下記の各種インタフェースに対応。
- UART x2
- SPI x2
- I2C x2
- PCM/I2S x1
- SPDIF x1
- PWM x1
- ADC x1
- GPIO x6
- 5V電源 x2
- 3.3V電源出力 x2
ソフトウェア
- Arm v8-A ISA、NEON拡張(Advanced SIMD)
- Debian/Ubuntu Linux対応
- Android 7.1/Android 9.0/Android 10/Android 11対応
- Caffe等、GPUを使ったAI処理に対応
- Linux/Android向けハードウェア制御ライブラリ
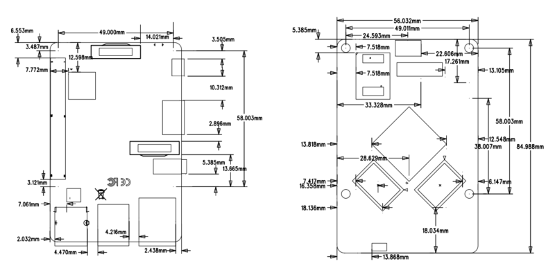
本体寸法
基板の外形寸法は、Raspberry Pi 4Bとほぼ同じ85mm x 56mmです。
電気的特性
電源の要求スペック
ROCK 4SEは幅広い電圧範囲で駆動可能です。
- USB Type-C PD2.0(9V/2A, 12V/2A)
- Qualcomm Quick Charge QC2.0/3.0(9V/2A, 12V/1.5A)
- USB Type-C:6V〜12V
- GPIO 2ピンと4ピンへの5V供給
GPIO電圧
| GPIO | 電圧 | 耐圧 |
|---|---|---|
| GPIO3_C0 | 3.3V | 3.465V |
| ADC_IN0 | 1.8V | 1.98V |
| その他 | 3.0V | 3.14V |
動作条件
ROCK 4SEは周辺温度範囲:0℃〜50℃での動作を想定して設計されています。
処理内容に応じて最適なプロセッサコアを自動的に切り替えるArm big.LITTLEアーキテクチャにより、発熱の低減と高速処理を実現できます。
ROCK 4SEは高性能なモバイル機器向けSoCを採用しており、バッテリー駆動時など電源容量が限られた環境でも長時間動作できます。たとえばテキスト編集や音楽再生など負荷が軽い処理のときは省エネ性能に優れたコアやハードウェアアクセラレーターを活用し、高性能コアを寝かせておくことで発熱を低減できます。
ROCK 4SEのSoC(RK3399‑T)はサーマルスロットリング機能を搭載しています。SoCの内部温度が80℃を超えると動作クロックを落として発熱を抑えます。常に高い処理性能が求められる用途で使う場合はヒートシンクや空冷ファンなど冷却装置を追加してください。SoC内部温度を80℃以下に維持できればサーマルスロットリングを回避できます。
ペリフェラル(周辺機器)
GPIOインタフェース
ROCK 4SEは40ピンのGPIO拡張ヘッダーを搭載しています。Raspberry Piと同じピン配置となっているため、SBC用に開発された様々なアクセサリーと互換性があります。
| 端子番号 | GPIO番号 | GPIO | 機能1 | 機能2 |
|---|---|---|---|---|
| 1 | +3.3V | |||
| 3 | 71 | GPIO2_A7 | I2C7_SDA | |
| 5 | 72 | GPIO2_B0 | I2C7_SCL | |
| 7 | 75 | GPIO2_B3 | I2C7_CLK | |
| 9 | GND | |||
| 11 | 146 | GPIO4_C2 | PWM0 | |
| 13 | 150 | GPIO4_C6 | PWM1 | |
| 15 | 149 | GPIO4_C5 | SPDIF_TX | |
| 17 | 3.3V | |||
| 19 | 40 | GPIO1_B0 | SPI1_TXD | UART4_TXD |
| 21 | 39 | GPIO1_A7 | SPI1_RXD | UART4_RXD |
| 23 | 41 | GPIO1_B1 | SPI1_RCLK | |
| 25 | GND | |||
| 27 | 64 | GPIO2_A0 | I2C2_SDA | |
| 29 | 74 | GPIO2_B2 | SPI2_TXD | I2C6_SCL |
| 31 | 73 | GPIO2_B1 | SPI2_RXD | I2C6_SDA |
| 33 | 76 | GPIO2_B4 | SPI2_CSn | |
| 35 | 133 | GPIO4_A5 | I2S1_LRCK_TX | |
| 37 | 158 | GPIO4_D6 | ||
| 39 | GND |
| 端子番号 | GPIO番号 | GPIO | 機能1 | 機能2 |
|---|---|---|---|---|
| 2 | +5.0V | |||
| 4 | +5.0V | |||
| 6 | GND | |||
| 8 | 148 | GPIO4_C4 | UART2_TXD | |
| 10 | 147 | GPIO4_C3 | UART2_RXD | |
| 12 | 131 | GPIO4_A3 | I2S1_SCLK | |
| 14 | GND | |||
| 16 | 154 | GPIO4_D2 | ||
| 18 | 156 | GPIO4_D4 | ||
| 20 | GND | |||
| 22 | 157 | GPIO4_D5 | ||
| 24 | 42 | GPIO1_B2 | SPI1_CSn | |
| 26 | ADC_IN0 | |||
| 28 | 65 | GPIO2_A1 | I2C2_CLK | |
| 30 | GND | |||
| 32 | 112 | GPIO3_C0 | SPDIF_TX | UART3_CTSn |
| 34 | GND | |||
| 36 | 132 | GPIO4_A4 | I2S1_LRCK_RX | |
| 38 | 134 | GPIO4_A6 | I2S1_SDI | |
| 40 | 135 | GPIO4_A7 | I2S1_SDO |
eMMCソケット
ROCK 4SEはmicroSDカードより高速で信頼性に優れたeMMCをOS用またはデータ保存用のストレージとして使用可能です。ROCK 4C+のeMMCは交換可能なソケット式コネクタで、工業用eMMCモジュールと同じピン配列、フォームファクタです。
カメラおよびディスプレイのインタフェース
ROCK 4SEは2レーンのMIPI-CSI(カメラ用)と2レーンのMIPI-DSI(ディスプレイ用)コネクターを搭載しています。Raspberry Pi等で使われている1.0mmピッチのFPCケーブルに対応しています。
USB
ROCK 4SEは2個のUSB2.0対応Type-Aポートと2個のUSB3.0対応Type-Aポートを搭載しています。USB3.0ポートのうち上段の1ポートはOTGとHOSTの切替が可能です。ソフトウェアでOTGデバイスモードに設定できます。
4ポート合計の電流供給能力は約2.8Aです。2個のUSB2.0ポートと下段のUSB3.0ポートは電源ICを共有しており、3ポート合計の電流供給能力は1.44Aです。
USBポートはすべて各ポートが直接、SoC(RK3399-T)に接続されています。余計なルーティングや変換処理がないため、高速な動作が期待できます。
HDMI
ROCK 4SEはフルサイズHDMIポートを搭載しています。リモコンの操作情報を伝達するHDMI CECとHDMI 2.0に対応し、最大4k60fps出力が可能です。
オーディオジャック
ROCK 4SEはマイク入力付ステレオミニプラグ(直径3.5mm、4極)を搭載しています。32Ωのヘッドホンを直接駆動できます。
M.2コネクター
ROCK 4SEはM.2 M Keyコネクターを搭載しています。PCIe2.1×4に対応し、M.2 NVMe SSDを接続可能です。M.2 SATA SSDには対応していません。
長期供給
ROCK 4SEは少なくとも2029年9月までの供給が保証されています。
サポート
Radxa WikiもしくはRadxaフォーラムを参照してください。
出所
下記ドキュメントを参照しています。間違いにお気づきの際はコメント欄よりお知らせください。
ROCK 4 SE Product Brief v1.7, 2022-10-26


